
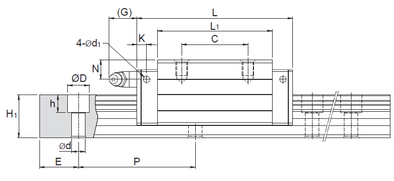
銀泰直線導軌MSA20LS滑塊是一款加長型四方型滑塊,能承受更大的負荷,滑塊的尺寸為88.8*44,滑塊上有4個M5的螺紋孔,其孔距為50*32,MSA20LS滑軌的安裝孔距為60,MSA20LS滑塊與滑軌的組合高度為30。所有尺寸完全與臺灣上銀直線導軌HGH20HA相同。兩者之間可相互替換,在防塵方面,銀泰直線導軌比上銀直線導軌做得更佳出色。
MSA20LS詳細參數如下圖所示:




產品應用范圍:
磨床,銑床,車床,鉆床,線切割機,精密測量儀器,木工機械,搬運機械...等
東莞市錦榮自動化專業提供銀泰直線導軌MSA20LS,銀泰導軌滑軌,歡迎來電訂購
訂購電話: 18038294950 0769-22810279 劉先生
版權所有 ©2013 東莞市錦榮自動化科技有限公司 www.zzjj666motor.com
地址:東莞市南城區白馬社區塘巖新村五巷57號一樓 電話:0769-22810279
聯系人 譚容華 手機 18038294952 QQ 2829602768