
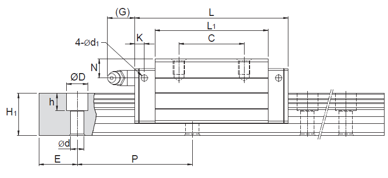
銀泰(PMI)直線導軌MSA25S滑塊是一款四方型滑塊,滑塊的尺寸為81.6*48,滑塊上有4個M6的螺紋孔,其孔距為35*35,MSA25S滑軌的安裝孔距為60,MSA25S滑塊與滑軌的組合高度為40。所有尺寸完全與臺灣上銀直線導軌HGH25CA相同。兩者之間可相互替換,在防塵方面,銀泰直線導軌比上銀直線導軌做得更佳出色。
MSA25S詳細參數如下圖所示:





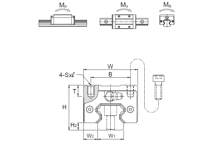
臺灣銀泰直線導軌產品特性:
1.MSA系列直線導軌采用4列圓弧接觸式及45度接觸角的鋼珠列設計,提供徑向,反徑向及橫方向四方向的相同額定負荷能力,無論X,Y,Z等軸的各種安裝方式都可以使用,并且可在維持低摩擦阻力情況下均勻的施以預壓,增強四個受力方向的剛性,特別適合高精度與高負荷的運動方式.
2.臺灣銀泰公司專利設計的潤滑油路,能夠均勻的將潤滑油脂注入循環回路,無論各種安裝方式都可以獲得最佳的潤滑效果,并且提升整體的行走順暢度與使用壽命,實現高精度,高可靠度及平滑穩定的直線運動需求.
3.高剛性,四方向等負荷設計
4.行走順暢度佳,低噪音
5.具有自動調心能力
6.具有互換特性
東莞市錦榮自動化科技有限公司專業提供PMI-銀泰直線導軌MSA25S,更多產品信息歡迎來電咨詢
咨詢電話: 18038294950 0769-22810279 劉先生
版權所有 ©2013 東莞市錦榮自動化科技有限公司 www.zzjj666motor.com
地址:東莞市南城區白馬社區塘巖新村五巷57號一樓 電話:0769-22810279
聯系人 譚容華 手機 18038294952 QQ 2829602768