
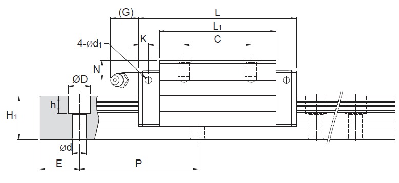
PMI-銀泰直線導軌MSA35LS滑塊是一款加長型四方型滑塊,滑塊的尺寸為136.6*70,滑塊上有4個M8的螺紋孔,其孔距為72*50,MSA35LS滑軌的安裝孔距為80,MSA35LS滑塊與滑軌的組合高度為55。所有尺寸完全與臺灣上銀直線導軌HGH35HA相同。兩者之間可相互替換,在防塵方面,銀泰直線導軌比上銀直線導軌做得更佳出色。
MSA35LS詳細參數如下圖所示:




東莞市錦榮自動化科技有限公司專業銷售臺灣銀泰直線導軌MSA35LS,更多銀泰導軌滑塊參數,歡迎來電咨詢
聯系電話: 18038294950 0769-22810279 劉先生
版權所有 ©2013 東莞市錦榮自動化科技有限公司 www.zzjj666motor.com
地址:東莞市南城區白馬社區塘巖新村五巷57號一樓 電話:0769-22810279
聯系人 譚容華 手機 18038294952 QQ 2829602768