
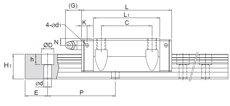
PMI-銀泰直線導軌MSA35E滑塊是一款法蘭型滑塊,也叫帶耳朵的滑塊,滑塊的尺寸為111.2*100,滑塊上有4個M10的螺紋孔,其孔距為82*62,MSA35E滑軌的安裝孔距為80,MSA35E滑塊與滑軌的組合高度為48。所有尺寸完全與臺灣上銀直線導軌HGW35CC相同。兩者之間可相互替換,在防塵方面,銀泰直線導軌比上銀直線導軌做得更佳出色。
MSA35E詳細參數如下圖所示:



銀泰直線導軌MSA35E實物圖:

東莞市錦榮自動化科技有限公司專業提供臺灣銀泰直線導軌MSA35E,更多銀泰直線導軌信息,歡迎來電咨詢
咨詢電話: 18038294950 0769-22810279 劉先生
版權所有 ©2013 東莞市錦榮自動化科技有限公司 www.zzjj666motor.com
地址:東莞市南城區白馬社區塘巖新村五巷57號一樓 電話:0769-22810279
聯系人 譚容華 手機 18038294952 QQ 2829602768