
上銀直線導軌MGW9H,臺灣上銀加寬型導軌MGW9H
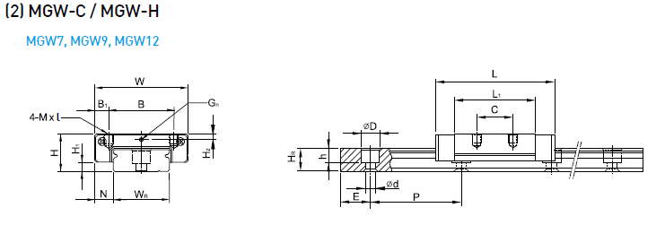
MGW9H滑塊為加長型滑塊,滑塊的大小為50.7*30,上銀滑塊MGW9H上面有4個M3的螺紋孔,孔距為23*24,滑軌的安裝螺絲也是M3,安裝孔距為30.滑塊和導軌的組合高度為12

錦榮公司簡介:東莞市錦榮自動化科技有限公司是一家專業經營直線導軌、滾珠絲杠、線性模組、絲杠支撐座、聯軸器、交叉滾子導軌、DD旋轉馬達、扭矩馬達、直線電機等產品的優質供應商。產品品牌有臺灣上銀(HIWIN)、銀泰(PMI)、TBI等.公司產品品種齊全、品質優良,廣泛應用于風力發電、太陽能設備、新能源設備、高鐵設備、電子設備、醫療器械、數控機床、木工機械、搬運、輸送機械、精密測量儀器、產業自動化產業機械、電子半導體設備、機器人、機械手臂、注塑機械、包裝機械等,所有需要精密傳動控制及定位的領域。
東莞市錦榮自動化科技有限公司專業提供上銀直線導軌MGW9H,臺灣上銀加寬型導軌MGW9H,歡迎您的來電
訂購熱線:18038294950 0769-22810279
版權所有 ©2013 東莞市錦榮自動化科技有限公司 www.zzjj666motor.com
地址:東莞市南城區白馬社區塘巖新村五巷57號一樓 電話:0769-22810279
聯系人 譚容華 手機 18038294952 QQ 2829602768