
東莞上銀導軌MGW12C,上銀導軌MGW12C
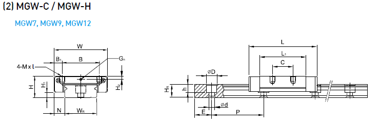
上銀導軌MGW12C滑塊為標準型滑塊,滑塊的大小為46*40,上銀滑塊MGW12C上面有4個M3的螺紋孔,孔距為28*15,導軌的安裝螺絲是M4,安裝孔距為40.滑塊和導軌的組合高度為14
上銀滑塊MGW12C更多詳細參數如下:

MGW(寬幅) 產品應用與特色:
加寬導軌的設計,大幅提升力矩負荷能力,可單軸使用。
哥德型四點接觸設計,可承受各種方向的負荷并具有高剛性的特點。
滑塊裝有微小型保持鋼絲,取下滑塊也不會脫落。
導軌、滑塊及所有金屬配件均采用不_鋼材質,具抗腐蝕的特性。◎應用:
半導體制造設備, 印刷電路板IC組裝設備, 醫療設備, 機器手臂, 精密測量儀器 ,辦公室自動化設備 ,其它小型直線滑動裝置
東莞市錦榮自動化科技有限公司專業提供東莞上銀導軌MGW12C,上銀導軌MGW12C.期待您的來電
訂購熱線:18038294950 0769-22810279
版權所有 ©2013 東莞市錦榮自動化科技有限公司 www.zzjj666motor.com
地址:東莞市南城區白馬社區塘巖新村五巷57號一樓 電話:0769-22810279
聯系人 譚容華 手機 18038294952 QQ 2829602768